DINE

제품정보
보다 완벽한 제품 하나가 삶의 가치를 높이는 것이라는 믿음
TAUMAX
QPT_퀵 포인트 시스템
Quick Point System for 5-Axis Vise

List

01

퀵 포인트 시스템

  • 스터드 볼트 4개로 쉽고 빠른 바이스 플로팅 가능
  • 볼트 간 거리 96mm, 4개의 풀스터드 볼트로 6톤 무게 지탱 가능
  • 기계식 핀 방식으로 한 번의 렌치 클램핑만으로 손쉽게 바이스 체결
  • 클램핑 시 높이 공차 0.01mm 이내 보장
  • 4축 로터리, 5축 틸팅/로터리 베드와 호환 가능
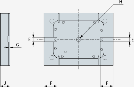
도면

(mm)
기본 구성품
  • 바이스 본체
  • 렌치, 클램프x4, 가이드키x2
  • 풀 스터드 볼트 x